Sensorless BLDC Driver First to Support Full Torque at Zero Speed
Brushless DC (BLDC) motors offer many operating attributes in performance and controllability, but they may require a position (rotation) sensor such as an encoder, resolver, or Hall-effect device to support full torque at zero-speed revolutions (rpm).
Addressing that gap, Renesas introduced a family of motor-driver ICs for BLDC motor applications that implement what the company maintains is a “first”: Enabling full torque at zero speed from motors but without need for such sensors. (Side note: one of the attributes of steam engines, which are still used, is that they can provide full torque at zero rpm, unlike internal combustion engines.)
This is accomplished by using new, patent-pending technologies. These ICs support the design of sensorless BLDC motor systems with higher horsepower and speed at a given torque. They also improve power consumption and reliability, while cutting cost and board space, by reducing the number of components needed. Representative applications include 24-V cordless blenders, portable power tools, and high-performance electric fans.
Algorithm-Driven Full Torque at Zero Speed
The ability to enable full torque at zero speed without sensors is made possible by two innovative Renesas algorithms based on internally developed patent-pending technology. First, the company’s Enhanced Inductive Sensing (EIS) offers stable position detection when the motor is completely stopped. Second, when the motor is operating at extremely low speed, Motor Rotor position Identification (MRI) is used. At higher speeds, the new ICs apply conventional methods.
Three new motor-driver ICs integrate Renesas’s new technology:
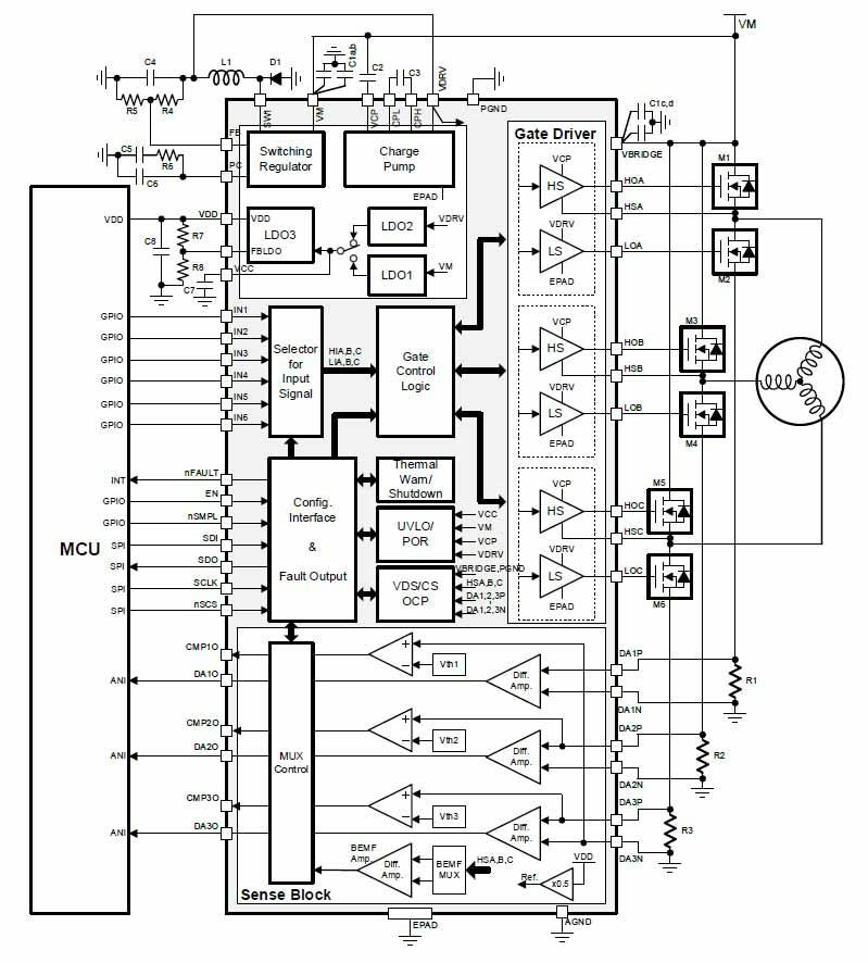
- The RAA306012 is a 65-V, three-phase smart driver. As a standalone device, it can be paired with a variety of MCUs from Renesas or from other sources (Fig. 1).
- The RAJ306101 integrates a Renesas RX13T 32-bit MCU with the RAA306012 in a single package, reducing board space and improving cost and reliability.
- The RAJ306102 integrates a 16-bit Renesas RL78/G1F MCU with the RAA306012, providing similar benefits.
The core RAA306012 IC smart gate driver for three-phase BLDC motor applications integrates corresponding half-bridge gate drivers that can drive up to three N-channel MOSFET bridges. It supports bridge voltages from 6 to 65 V with each gate driver supporting up to 0.64-A source and 1.28-A sink peak-drive current with adjustable drive-strength control.
To ensure robustness and flexibility, the chip implements both adaptive and adjustable dead times. The active gate-holding mechanism prevents cross-conduction induced by the Miller effect and further enhances robustness. In addition, there are 16 programmable slew-rate settings to minimize electromagnetic emissions. It supports various motor-control algorithms such as trapezoidal, sinusoidal, and field-oriented control (FOC).
The device integrates power supplies for internal analog and logic circuitry, high-side/low-side gate drivers, and a dedicated supply for powering external microcontrollers. The RAA306012 also features a low-power sleep mode during which it consumes only 28 μA to maximize battery life in portable applications.
The RAA306012, RAJ306101, and RAJ306102 are available now. The RAA306012 comes in a 7- × 7-mm, 48-pin QFN package. The RAJ306101 and RAJ306102 are housed in 8- × 8-mm, 56-pin and 64-pin QFNs, respectively.
Eval Kits
Renesas offers evaluation kits for each of the new devices, which is always a plus for real-world motor-control assessment. The RAJ306101 Renesas Solution Starter Kit is used to evaluate BLDC motor systems. It consists of a board with a RAJ306101 motor-control IC, a small 24-V motor, and a connecting cable (Fig. 2).
The on-board RAJ306101 is equipped with sample code for sensorless vector control, and basic evaluation of motor control can be performed by connecting a 24-V DC power supply and the included motor. The integrated MCU operating voltage is selectable between 3.3 V or 5 V. Renesas also supports the driver with additional text and video collateral (see References).
References
Application Note, “RAJ306101: Sensorless 120-degree conducting control for permanent magnetic synchronous motor (Implementation)” (60 pages).
RSSK User’s Manual, “Renesas Solution Starter Kit Motor Control Evaluation System—Motor Control IC: RAJ306101 RSSK User’s Manual” (60 pages).
Video, “BLDC Sensorless Technology for Zero RPM High Torque Application Using RAJ306102.”
(This video shows how the sensorless technology can provide high torque at zero rpm using the RAJ306102 motor-driver IC. It also demonstrates “proof of concept” using a popular cordless drill to screw and unscrew a lag screw in high-density wood.)


