Why You Need Level Shifting in Buck-Boost Circuits
Members can download this article in PDF format.
What you'll learn:
- Use of buck-boost circuits in switching-regulator ICs.
- Considerations in level-shift circuit design.
- Switching regulators with internal level shifting.
The magnitude of the negative voltage generated by inverting buck-boost circuits can be higher or lower than that of the available positive voltage. For example, –8 V or even –14 V can be generated from +12 V. When working with a switching-regulator IC that has an inverting buck-boost circuit, communications pins may be needed in the system design. If they are required, it’s essential for designers to remember adequate level shifting so that synchronization and enable signals can be utilized.
What to Consider When Designing Level-Shift Circuits
The inverting buck-boost topology is one of the basic switching-regulator topologies, requiring just one inductor, two capacitors, and two MOSFETs as switches. The switches can be driven with any buck regulator or controller. The availability of possible switching-regulator building blocks is therefore large. Figure 1 shows the inverting topology with all of the necessary components.
A buck-boost circuit with an ADP2386 buck regulator is depicted in Figure 2. If a buck-regulator IC is used for the inverting circuit, the ground connection of the IC is at the generated negative voltage. The original output voltage from the buck regulator is connected to the system ground. The buck regulator in the inverting topology references its own ground to the set negative voltage because the output voltage is connected to the system ground. The reference ground for the IC (GND in Figure 2) isn’t connected to the system ground.
As a result, these two grounds aren’t at the same potential. The switching-regulator IC ground becomes the generated negative voltage. All pins on the switching-regulator IC are now referenced to the generated negative voltage, rather than to the system ground. Consequently, the communication lines and connections from the system to the IC and vice versa need level shifting to guarantee safe communication and prevent damage. The relevant signals are typically SYNC, PGOOD, TRACKING, MODE, EN, UVLO, and RESET.
Figure 2 shows a possible level-shift circuit with two bipolar transistors and seven resistors (in blue) for one signal. This circuit requires a certain amount of space and adds complexity to the circuitry as well as costs. Such a level shifter would have to be implemented separately for all signals previously mentioned. It is especially complicated when a switching regulator IC uses a digital bus such as the Power Management Bus (PMBus). Then, the entire bus connection has to be operated with level shifting or galvanic isolation.
Eliminating External Level-Shifting Circuitry
One way to avoid this external circuitry is to use a switching-regulator IC that’s designed specifically for inverting voltages. For example, Analog Devices offers a family of such ICs that are variations of buck-regulator ICs. They’re designed to facilitate communication between the system, i.e., the entire electronic circuitry, and the inverting switching-regulator IC. External level shifting as shown in Figure 2 isn’t needed.
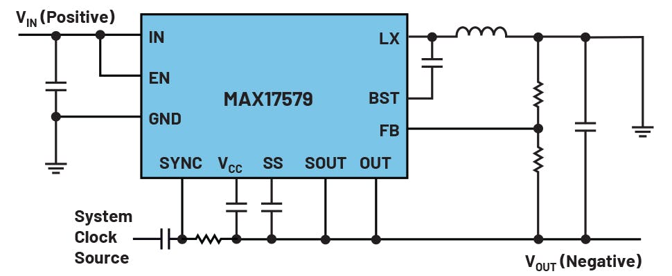
Figure 3 shows the MAX17579 switching-regulator IC, which generates a negative voltage from a positive voltage. As can be seen, the circuit is much more compact than the one in Figure 2.
Simulation tools such as LTspice or the EE-SIM design and evaluation environment can provide a better understanding of the regulation behavior and the potential differences in an inverting topology. Level-shift circuits can be designed and optimized with these tools. ICs like the MAX17579 can also easily be simulated with the EE-SIM design tool.
Read more articles in the TechXchange: Power Supply Design and in the Library Series: Ideas for Design.





